|
介质 |
型号 |
压力 |
温度 |
转速(RPM) |
|
冷却水 |
B08 |
100bar /1450PSI |
90oC / 195oF |
20000 |
|
B10 |
70bar /1015PSI |
15000 |
|
干转 |
B08 |
/ |
/ |
20000 |
|
B10 |
/ |
15000 |
B系列通用型旋转接头选用注意事项:
1、此类型是特殊的旋转接头,在中心不通入冷却液时可以高速干转。
2、其结构设计使冷却液即可提供必要的密封压力。放接头在无液体流量时,密封环并不接触,转子几乎没有任何摩擦。
当有冷却液输入,就会因为流体流量产生一个轻的压力压紧密封面的弹性O形圈及密封面,保证没有液体泄漏。
而流量停止则O形圈压力释放,密封环面自动分离。
3、不允许在不与ROTOFLUX客服部门协商的情况下,超过旋转接头的极限而使用。

|
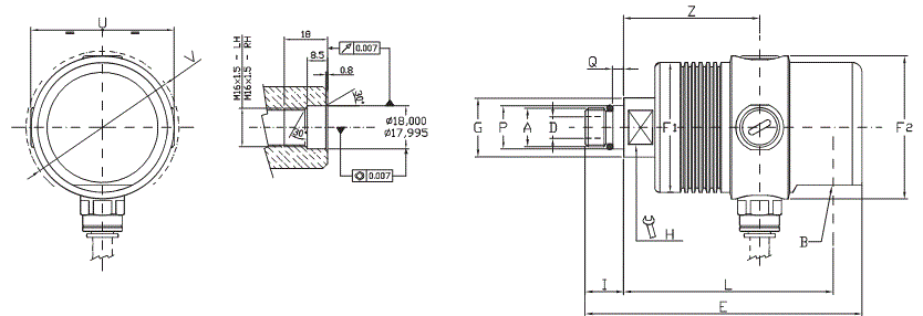
型号 |
90度接头 |
|
|
A |
B |
øD |
E |
ØF1 |
ØF2 |
ØG |
H |
I |
L |
ØP |
Q |
U |
ØV |
Z |
KG |
|
B08-1501-04R |
M16x1.5RH |
G 1/4" |
5 |
101 |
44 |
49 |
24.5 |
17 |
16 |
76 |
18 |
4.5 |
49 |
52 |
49 |
0.6 |
|
B08-1501-05L |
M16x1.5LH |
|
B10-1701-04R |
M16x1.5RH |
G3/8" |
9 |
115 |
54 |
59.5 |
24.5 |
17 |
16 |
87 |
18 |
4.5 |
59.5 |
63 |
56.5 |
0.8 |
|
B10-1701-05L |
M16x1.5LH |

|
型号 |
直式接头 |
|
|
A |
B |
øD |
E |
ØF1 |
ØF2 |
ØG |
H |
K |
I |
L |
ØP |
Q |
U |
ØV |
Z |
KG |
|
B08-1502-04R |
M16x1.5RH |
G1/4" |
5 |
116 |
44 |
49 |
24.5 |
17 |
24 |
16 |
100 |
18 |
4.5 |
49 |
52 |
49 |
0.6 |
|
B08-1502-05L |
M16x1.5LH |
|
B10-1702-04R |
M16x1.5RH |
G3/8" |
9 |
130 |
54 |
59.5 |
24.5 |
17 |
32 |
16 |
114 |
18 |
4.5 |
59.5 |
63 |
56.5 |
0.8 |
|
B10-1702-05L |
M16x1.5LH |