|
介质 |
型号 |
压力 |
温度 |
转速(RPM) |
|
冷却水 |
A08 |
100bar /1450PSI |
90oC /195oF |
15000 |
|
A10 |
40bar /580PSI |
10000 |
|
空气 |
A08 |
10bar /145PSI |
15000 |
|
A10 |
10000 |
|
干转 |
A08 |
/ |
/ |
15000 |
|
A10 |
/ |
10000 |
A系列通用型旋转接头选用注意事项:
1、此类型是特殊的旋转接头,在中心不通入冷却液时可以高速干转。
2、其结构设计使冷却液即可提供必要的密封压力。当接头在无液体流量时,密封环并不接触,转子几乎没有任何摩擦。
当有冷却液输入,就会因为流体流量产生一个轻的压力压紧密封面的弹性O形圈及密封面,保证没有液体泄漏。
而流量停止则O形圈压力释放,密封环面自动分离。在操作刚启动和结束时,密封处可能会有少量冷却液滴落最终溢
出。如果此情况发生,溢出的冷却液也将会经过迷宫式密封环,再由排泄孔排出。
3、不允许在不与ROTOFLUX客服部门协商的情况下,超过旋转接头的极限而使用。

|
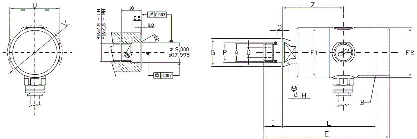
型号 |
90度接头 |
|
|
A |
B |
øD |
E |
ØF1 |
ØF2 |
ØG |
H |
I |
L |
ØP |
Q |
U |
ØV |
Z |
KG |
|
A08-1520-04R |
M16x1.5RH |
G 1/4" |
5 |
91 |
34 |
34.4 |
24.5 |
17 |
16 |
66 |
18 |
4.5 |
35 |
38 |
41 |
0.3 |
|
A08-1520-05L |
M16x1.5LH |
|
A10-1720-04R |
M16x1.5RH |
G 3/8" |
9 |
110 |
43 |
44 |
24.5 |
17 |
16 |
82 |
18 |
4.5 |
43.6 |
47.5 |
53.5 |
0.5 |
|
A10-1720-05L |
M16x1.5LH |

|
型号 |
直式接头 |
|
|
A |
B |
øD |
E |
ØF1 |
ØF2 |
ØG |
H |
K |
I |
L |
ØP |
Q |
U |
ØV |
Z |
KG |
|
A08-1522-04R |
M16x1.5RH |
G 1/4" |
5 |
108 |
34 |
34.4 |
24.5 |
17 |
30 |
16 |
92 |
18 |
4.5 |
35 |
38 |
41 |
0.3 |
|
A08-1522-05L |
M16x1.5LH |
|
A10-1722-04R |
M16x1.5RH |
G 3/8" |
9 |
125 |
43 |
44 |
24.5 |
17 |
24 |
16 |
109 |
18 |
4.5 |
43.6 |
47.5 |
53.5 |
0.5 |
|
A10-1722-05L |
M16x1.5LH |