|
介质 |
压力 |
温度 |
转速(RPM) |
|
水 |
1/4''~1-1/2''→50bar/725 PSI
2''→40bar/580 PSI
|
120oC / 245oF |
1/8"~3/4"→3500
1"→3000
1-1/4"~1-1/2"→2500
2"→750
|
|
空气 |
10bar /145 PSI |
|
真空 |
6.7Kpa/28'' Hg |
F系列全不锈钢型旋转接头选用注意事项:
1、当液压压力达到8bar时,冷却水温度不得超过100度。
当有正、反转向应用时,建议选用法兰连接。
弹簧用于防止由于流体产生的紊流和振动。
2、两种密封组合可供客户选用:
N型(标准型)— 石墨密封,应用于过滤水、热油、饱和蒸汽的间歇供给情况;
D型(重负荷型)— 碳化钨(或碳化硅)密封,应用于劣质过滤水及磨削液的密封。
此型号的旋转接头为不锈钢材质,适用于许多场合。还被大量应用到化学、制药和食物工业中。

|
型号 |
单一通道 |
|
水N |
水D |
空气-真空 |
A |
B |
C |
øD |
E |
ØF1 |
ØF2 |
ØG |
H |
I |
L |
KG |
|
F08-300-01R |
F08-301-01R |
F08-302-01R |
G 1/4"RH |
G 1/4" |
- |
7 |
88 |
43 |
- |
20 |
17 |
11 |
67 |
0.6 |
|
F08-300-02L |
F08-301-02L |
F08-302-02L |
G 1/4"LH |
|
F10-300-01R |
F10-301-01R |
F10-302-01R |
G 3/8"RH |
G 3/8" |
G 1/4" |
9 |
106 |
43 |
- |
25 |
17 |
13 |
73 |
0.7 |
|
F10-300-02L |
F10-301-02L |
F10-302-02L |
G 3/8"LH |
|
F15-300-01R |
F15-301-01R |
F15-302-01R |
G 1/2"RH |
G 1/2" |
G 3/8" |
13 |
120 |
55 |
- |
30 |
24 |
13 |
82 |
1.3 |
|
F15-300-02L |
F15-301-02L |
F15-302-02L |
G 1/2"LH |
|
F20-300-01R |
F20-301-01R |
F20-302-01R |
G 3/4"RH |
G 3/4" |
G 1/2" |
18 |
139 |
64 |
- |
37 |
30 |
16 |
94 |
1.9 |
|
F20-300-02L |
F20-301-02L |
F20-302-02L |
G 3/4"LH |
|
F25-300-01R |
F25-301-01R |
F25-302-01R |
G 1"RH |
G 1" |
G 3/4" |
23 |
166 |
70 |
- |
45 |
36 |
20 |
105 |
2.4 |
|
F25-300-02L |
F25-301-02L |
F25-302-02L |
G 1"LH |
|
F32-300-01R |
F32-301-01R |
F32-302-01R |
G1-1/4"RH |
G1-1/4" |
G 1" |
31 |
187 |
85 |
95 |
55 |
46 |
22 |
119 |
4.7 |
|
F32-300-02L |
F32-301-02L |
F32-302-02L |
G1-1/4"LH |
|
F40-300-01R |
F40-301-01R |
F40-302-01R |
G1-1/2"RH |
G1-1/2" |
G1-1/4" |
36 |
209 |
100 |
110 |
60 |
50 |
24 |
132 |
7 |
|
F40-300-02L |
F40-301-02L |
F40-302-02L |
G1-1/2"LH |
|
F50-300-01R |
F50-301-01R |
F50-302-01R |
G 2"RH |
G 2" |
G1-1/4" |
48 |
224 |
92 |
120 |
70 |
60 |
25 |
139 |
8.2 |
|
F50-300-02L |
F50-301-02L |
F50-302-02L |
G 2"LH |

|
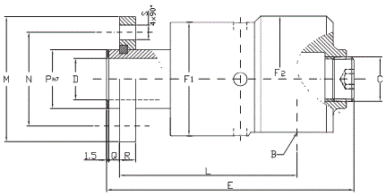
型号 |
单一通道 |
|
水N |
水D |
空气-真空 |
B |
C |
øD |
E |
ØF1 |
ØF2 |
L |
ØM |
ØN |
ØPh7 |
Q |
R |
S |
KG |
|
F10-300-03F |
F10-301-03F |
F10-302-03F |
G 3/8" |
G 1/4" |
9 |
109 |
43 |
- |
82 |
53 |
38 |
18 |
6 |
8 |
9 |
0.8 |
|
F15-300-03F |
F15-301-03F |
F15-302-03F |
G 1/2" |
G 3/8" |
13 |
125 |
55 |
- |
92 |
60 |
45 |
25 |
6 |
10 |
9 |
1.5 |
|
F20-300-03F |
F20-301-03F |
F20-302-03F |
G 3/4" |
G 1/2" |
18 |
137 |
64 |
- |
101 |
68 |
50 |
30 |
6 |
10 |
9 |
2.1 |
|
F25-300-03F |
F25-301-03F |
F25-302-03F |
G 1" |
G3/4" |
23 |
168 |
70 |
- |
119 |
78 |
60 |
36 |
7 |
12 |
9 |
2.7 |
|
F32-300-03F |
F32-301-03F |
F32-302-03F |
G1-1/4" |
G 1" |
31 |
189 |
85 |
95 |
133 |
94 |
70 |
44 |
8 |
12 |
11 |
5.3 |
|
F40-300-03F |
F40-301-03F |
F40-302-03F |
G1-1/2" |
G1-1/4" |
36 |
204 |
100 |
110 |
139 |
99 |
78 |
52 |
10 |
14 |
11 |
7.2 |
|
F50-300-03F |
F50-301-03F |
F50-302-03F |
G 2" |
G1-1/4" |
48 |
225 |
110 |
120 |
154 |
119 |
95 |
65 |
10 |
14 |
11 |
9 |